РР Скоба 90 х 1“
9,01 лв.
РР Скоба 90 х 1“
Опаковка: Кашон: 40 бр
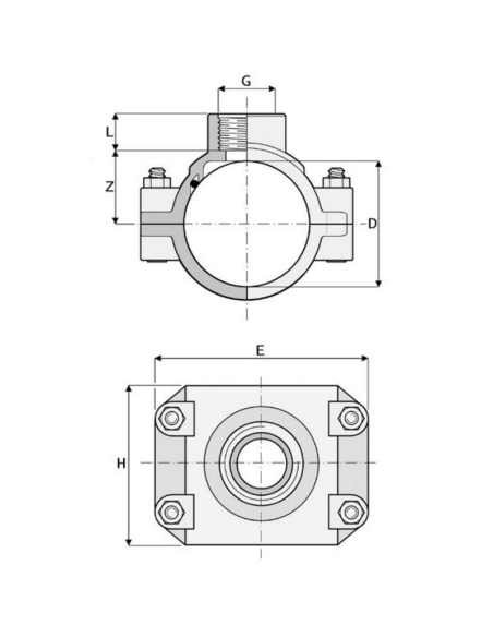
Водовземните скоби са идеално решение за създаване на отклонения от съществуващи тръбопроводи.
Инструкция за монтаж:
РР Скоба 90 х 1“
PP водовземни скоби Elysee
ПЕ водовземната скоба е аксесоар с универсално приложение, който се използва за отклоняване на водопровода.
Тя е проектирана за полиетиленови тръби със съответният диаметър, но може да се използва и за тръби от друг материал със същия диаметър.
Водовземната скоба има вътрешна резба за монтаж на фитинг или преход с външна резба.
Скобата се поставя върху тръбата и се затяга с винтове към нея, след което се перфорира отвор, през който се отклонява водата. ПЕ водовземната скоба е изработена от висококачествен полиетилен, който гарантира дълготрайна устойчивост на износване и корозия.
Тя е подходяща за употреба във водоснабдителни и напоителни системи, където се изисква отклонение от главния водопровод. Уплътнението на водовземната скоба е от висококачествен каучук, което гарантира възможността за надеждно уплътняване на различните тръби, както и надеждността на връзката на резбовото съединение.
Освен за полиетиленови тръби, ПЕ водовземната скоба може да се използва и за други материали като ППР или метални тръби. Това я прави удобен и универсален компонент за различни видове инсталации.
Материали:
Тяло: Полипропилен кополимер - РР-В
О-пръстен: Микропореста гума – NBR
Усилващ пръстен: алуминий или неръждаема стомана
Болтове: закалена или неръждаема стомана
Цвят: Черен
Стандарти: Подходящи за преминаване на питейна вода и излагане на слънчеви лъчи - UV защита
